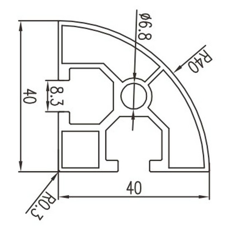
品名:EF4040R支架鋁型材。
材質:6063;
表面:國標電泳/氧化、歐標氧化;
長度:6米/條(可根據客戶要求切割);
用途:機械設備框架。
特點:外觀漂亮,環(huán)保,而安裝、拆卸、攜帶、搬移極為方便。
國標4系列
EF2020、EF2040;
國標6系列
EF1530、EF3030、EF3030L、EF3030R、EF3060、EF3060L、EF3090、EF6060、EF6630、EF6630R;
國標8系列
EF2040U、EF2040T、EF4040、EF4040A、EF4040L、EF4040R、EF4080、EF4080L、EF40120、EF8080、EF8840、EF8840R;
歐標6系列
EFE6-2020、EFE6-2040、EFE6-2060、EFE6-2080;
歐標8系列30型
EFE8-3030A、EFE8-3030B、EFE8-3030R、EFE8-3060A、EFE8-3060B、EFE8-3090、EFE8-30150、EFE8-6060A、EFE8-6060B;
歐標8系列40型
EFE8-4040A、EFE8-4040B、EFE8-4040C、EFE8-4040R、EFE8-4080A、EFE8-4080B、EFE8-4060、EFE8-40120、EFE8-40160、EFE8-8080A、EFE8-8080B、EFE8-80120;
歐標8系列50型
EFE8-5050、EFE8-50100、EFE8-100100;
歐標10系列45型
EFE10-4545B、EFE10-4545C、EFE10-4545R、EFE10-4560、EFE10-4590、EFE10-9090
歐標10系列50型
EFE10-5050、EFE10-50100、EFE10-100100。







